原子吸收光譜儀

AAS(Atomic Absorption Spectrophotometry)
AAS

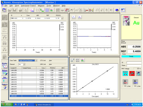
把液態樣品霧化及原子化後,根據特定原子吸收特定波長的光的原理來測定樣品的濃度。常用在Au、Pd、Ni的測定。

範例:測定Au濃度

15.0kV 12.3mmx50.0k
 

 

   

 

 

台灣上村和全體員工致力於提供創新技術和新產品解決方案。

如果您有任何特殊製程和新製造技術的需求,請與我們連絡。

* Email: 聯絡我們

友善列印轉寄回上一頁Top分享 把這則內容分享到Facebook 把這則內容分享到Plurk 把這則內容分享到Twitter